ROTECH DROP THROUGH VALVES ( RDT SERIES )
We are instrumental in manufacturing and exporting a quality range of Drop Through Rotary Airlock Valve that are fabricated with carbon steel, stainless steel 202/ 304/ 316/ 410 and cast iron to ensure high filling efficiency and low leakages. These air control valves are designed with differential pressures up to 10,000 mm of water column and widely used in steel plants, cement plants, power plants, pulp and paper mills, sugar mills and waste water treatments.
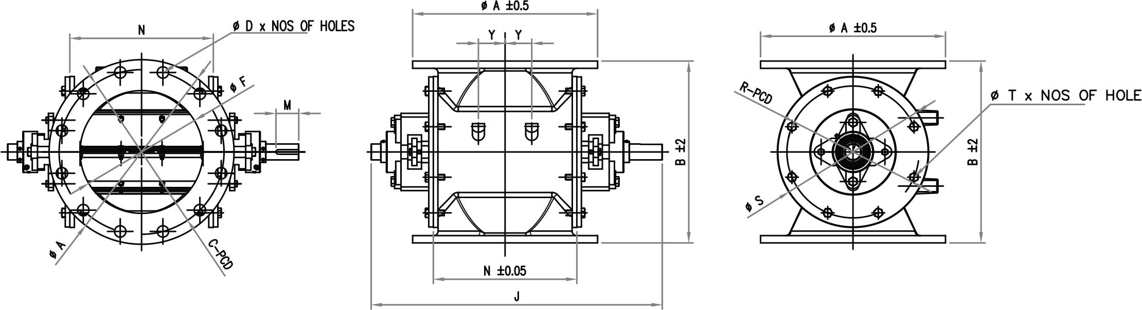
| Opening Size | 150, 200, 250, 300 and 350 mm |
|---|---|
| Flange Opening | Square / Round |
| Differential Pressure | Higher pressure handling capability |
| Temperature | Built to eminent temperature |
| Drives | Chain Driven / Direct Drive |
| Material of Construction | Carbon Steel, Stainless Steel 202 / 304 / 316 / 410, and Cast Iron |
| Rotor | Open fabricated type |
Features
- High Filling efficiency with guiding at inlet and outlets.
- Closed clearances for very low leakages.
- Out-bored mounted bearings offering Dust free and No heat to the Bearings.
- Designs with differential Pressures up to 10,000 mm of Water Column (Standard Version).
Application
- Steel Plants
- Cement Plants
- Power Plants
- Pulp and Paper Mills
- Sugar Mills
- Waste water treatments
- Mines
- Process Plants
- Material Handling Equipments
- Pneumatic Conveying Equipment
Structure
Model Selection Chart
Dimensions
Parameters
